2026.01.13
淺談諧波閃爍測試法規(IEC61000-3-3/-3-11)
在高效能運算與通訊基礎設施日益普及的今日,AI Server、BBU(備援電池模組)以及 CSP(雲端服務供應商) 等設備已成為資料中心與邊緣運算架構中的核心元件。
這些設備不僅承載龐大的電力需求,也對電網品質與穩定性產生顯著影響。
為了確保這類電子設備在連接公共電力系統時不會造成過度諧波污染、電壓波動或閃爍干擾,IEC 61000-3 系列標準提供了明確的電磁相容(EMC)規範與測試要求。
本篇文章將簡要介紹 IEC 61000-3-3與IEC61000-3-11 標準的核心內容與適用範圍,並針對 AI Server、BBU、CSP 等設備在設計與測試階段所需注意的法規要求進行簡易說明,協助工程師在產品開發與合規驗證上更具掌握。
—————————————————————————————————————————————————————————————————————————————————
電壓閃爍因為負載快速變動,使電壓快速變化,造成照明燈光閃爍影響視覺的現象。
電壓閃爍的形成的原因來自於電力系統中具有快速變動功率的負載或能源,如電弧爐、電焊機、鋸木機、切煤機、碎石機以及風力發電機組。


IEC 建議以電壓閃爍嚴重性做為評估電壓閃爍的依據
電壓閃爍嚴重性可分為短時間嚴重性(Pst)及長時間嚴重性(Plt),為了瞭解人類對閃爍的視覺反應程度,IEC 61000-4-15 推薦採用不同波形、頻率、振幅的調幅波及基頻載波以230V/60W的白熾光源,對觀察者抽樣調查其閃爍覺察率,再以燈-眼-腦的模型將輸入電壓閃爍信號轉換成大小正比於1的等效電壓變動量輸出。

- 4%為當沒有特殊條件時;
- 6%為設備開關是手動操作時,或自動開關頻率超過一天2次,且具有延遲啟動,或當電源中斷後手動啟動;
- 7%為人員在旁操作或自動開關,或手動開關次頻率一天不超過2次,且具有延遲啟動,或當電源中斷後手動啟動。

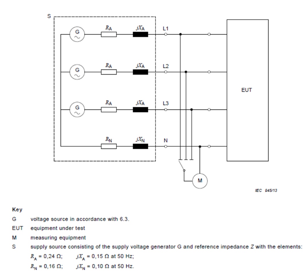
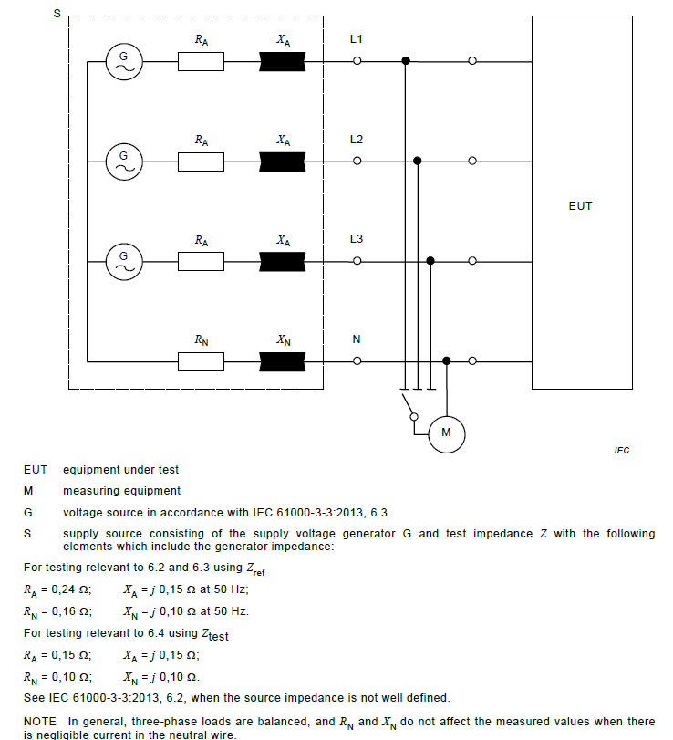
以下為測試示意圖:



以上為IEC61000-3-3與IEC61000-3-11法規淺談,若有需要更進一步的法規交流或討論則可來信告知。
後續將會再增加更深入的討論。
—————————————————————————————————————————————————————————————————————————————————
專注專業.誠信服務.打造高效測試環境
我們誠摯宣布,德盈科技有限公司 正式開幕!
作為專業的EMC測試設備經銷商,我們致力於為各產業提供最先進、最可靠的測試解決方案。
德盈科技專營多項國際知名品牌設備,包含:
🔹 TESEQ|Ametek電磁相容測試領導品牌
🔹 EMTEST|Ametek電磁相容測試領導品牌
🔹 SWARZBECK|天線領域領導品牌
🔹 EA Power Source|德國工業級電源供應器代表
除了設備銷售,我們亦提供Chamber(測試室)與隔離室的專業規劃與建置服務,協助客戶從設備選型到測試環境建立,一站式達成最嚴格的測試需求。
✨ 我們堅信,優質的技術、在地化的服務,以及對每一位客戶的用心,將是您可信賴的長期夥伴。
—————————————————————————————————————————————————————————————————————————————————
📞 市話: (02)-8668-6300
☎️ 傳真: (02)-8668-6388
👨 手機: (+886)-955-086-964
✉️ 信箱: jeff@deying.com.tw
🏢 地址: 234621 新北市永和區民權路53號8樓8250室
—————————————————————————————————————————————————————————————————————————————————
如需產品諮詢或合作洽談,歡迎與我們聯繫,德盈科技將以最專業的服務與熱誠,與您一同邁向測試技術的新高度!
返回